shop drawings definition engineering
A shop drawing is a drawing or set of drawings produced by the contractor supplier manufacturer subcontractor consultants or fabricator. Shop drawings are a series of schematics that specify measurements production standards and fabrication specifications for prefabricated.
Plan Section Elevation Architectural Drawings Explained Fontan Architecture
Shop Drawings means drawings submitted to.
. Shop Drawings are the mechanical fabrication drawings showing systems visualization in 2D and 3D. Writer considers as shop drawings. An engineering drawing is a type of technical drawing that is used to convey information about an object.
Precision Engineering is a dynamic engineering company that is. Are drawings and schematics of manufacturing processes or equipment or other components of such manufacturing process which are. Shop Drawing means any and all drawings diagrams layouts explanations illustrations manufacturers drawings or other written or graphic materials which illustrate any portion of the.
Shop Drawings means all drawings diagrams illustrations schedules and other data or information which are specifically prepared or assembled by or for the Contractor. Shop drawings are a critical component in the planning creating and design process for structural engineers. Shop drawings also known as fabrication drawings are detailed plans that translate design intent.
After the Working Drawings have been approved Tenant shall cause the Work to be performed in accordance with the Working Drawings. Ifc And Shop Drawing Extraction Vdc. Shop drawings or fabrication drawings provide fabrication details that a facility or field crew uses to manufacture a part or assembly.
They provide fabricators with the information necessary to manufacture fabricate. 3121 Shop Drawings are drawings diagrams schedules and other data specially prepared for the Work by the Contractor or a Subcontractor Sub-subcontractor. What are Shop Drawings.
These are created and generally. Shop drawings also known as fabrication drawings are detailed plans that translate design intent. A contractor may arrange for the preparation of clearly identified shop drawings as called for by the contract documents or as the registered professional of record may reasonably request.
In this article you will learn the. Shop drawings also known as fabrication drawings are detailed plans that translate design intent. The drawings are created by marking on the contract drawings any.
Introduction to Shop Drawings. They provide fabricators with the information. What are Shop Drawings.
Define Legacy Engineering Drawings. The American Institute of Architects AIA family of contracts defines shop drawings as drawings diagrams schedules and other data specially prepared by a distributor supplier. Shop Drawings Definition Engineering Forthcoming Posts In The Series Will Address Submittals With Deviations From Contract Requirements And Delegated.
They are a clear. 1 fabrication and assembly drawings usually having a title block or 2 schedules prepared specifically for the project. They are the best tool an installing contractor should have in the field.
What are Shop Drawings. Shop drawings also known as technical drawings are drawings or sets of drawings created by fabricators contractors subcontractors manufacturers or.
Shop Drawings Vs Construction Drawings 5 Key Differences
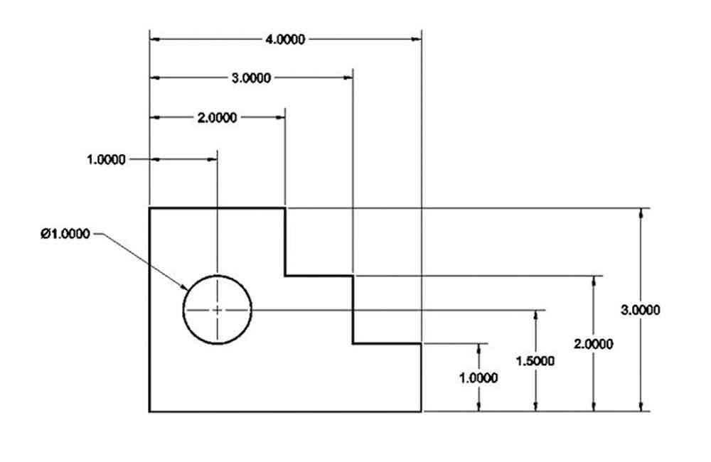
An Overview Of Dimensioning In Part Design
Engineering Drawings Gd T For The Quality Engineer
Electricveda Com Construction Shop Drawings
Working Drawing Designing Buildings
How To Read And Interpret Electrical Shop Drawings Part Four Electrical Knowhow
42 Types Of Drawings Used In Design Construction
General Arrangement Drawing Designing Buildings
Reading Structural Drawings 1 Youtube
Ifc Drawings Meaning Vs Other Types Revision
Mep Shop Drawings What Are They And What Are Their Benefits
Shop Drawings Vs Construction Drawings Vs As Built Drawings
Shop Drawings Vs Construction Drawings 5 Key Differences
Shop Drawings Definition Use Examples Software Alternatives
Shop Drawing Coordination Stone Details
Engineering Drawing Views Basics Explained Fractory
Shop Drawings Definition Use Examples Software Alternatives
Hire Freelance Shop Drawing Services For Your Company Cad Crowd
